B1KC (*)
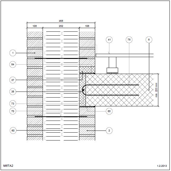
Bagmur: Letklinkerblokke Sokkel (lodret snit) Letkl., 300 mm Letklinkerblokke i bagmur Term-blokke. Letklinkerblokke med armering, 350 mm Letklinker, 300 mm Blokke/kælder Kombinationsvæg, 340 mm
U-værdier U,v: 0.71
(*) Bemærk dårlige energidata for denne konstruktion